Alpair 11 MS
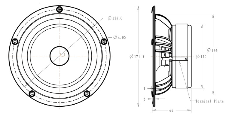
110mm Fullrange drive unit
7.2ohm Ferrite magnet
- State of the art full range drive unit with Mono Suspension and Negative Camber technologies
- 6in Grey or Gold colour magnesium alloy cone
- Operating range to 30KHz –very linear response
- Negative camber cone profile –extremely broad directivity pattern
- Advanced low-distortion motor design
- Patented long-stroke Mono-suspension technology –spiderless design
- Aerodynamically sculpted surface-mount reinforced polymer basket
Description

The advanced design Alpair 11MS (mono suspension) is a radical departure from previous models. The 11MS is completely new, utilising many new design components and manufacturing processes. The two main features are the patent-pending Negative Camber Cone and Mono suspension system. Other key features include a custom designed, gas-flowed glass fibre chassis and dedicated ultra light voice coil.
Negative Camber Cone (patent-pending). The 11MS cone is an ultra shallow design affording a wide dispersion pattern. The outer section of the cone profile is angled backwards creating a +180 degrees emittance pattern to help optimise stereo imaging. Vocals from quality sources sound more natural and detailed as the central cap and cone profile are geometrically close-aligned.
Mono Suspension (patent-pending). Much technical research has been done to balance the driver’s powertrain (cone, cap, coil and suspension) between its axis of travel and the corresponding centre of gravity. The new negative-camber cone facilitates the repositioning of the coil to avoid the need for a traditional rear suspension (spider). This new mono suspension design frees the coil from having a restrictive spider bonded to it, improving the transfer of energy from the driver’s motor to its cone. The new suspension employs an all new custom mix of four synthetic materials, resulting in improved linearity under low frequency loads.
The 11MS all new chassis is optimised to enhance airflow. The various slopes and rounded angles help improve sound wave emittance. Custom extended terminals are provided for push-on connectors or light-soldering for cables up to 1.5mm diameter.
Other features. The run-in time for the 11MS is significantly reduced compared to previous models. Ten hours of light music at moderate volumes is sufficient for the suspension to reach its optimal operating pattern. An Arrestor (as deployed in previous Alpair models) provides an audible warning of accidental excess excursion. The low-mass coil has a vented former and the motor employs custom made copper plating to reduce distortion.
The MS11 is a bass capable audio driver with comparable performance to light-medium load traditional mid bass units. The11MS is an audio driver designed for the dedicated music lover and High-Fidelity enthusiast. Attention to design detail along with an close tolerance manufacturing standard to +/- 0.05mm on most component alignments make this new generation of Markaudio transducers stand out from the crowd.
| COLOUR | Gold, Grey |
|---|---|
| RE | 7.2 Ohm |
| FS | 43.748 |
| SD | 111.22 cm² |
| VAS | 17.709 L |
| CMS | 0.008 M/N |
| MMD | 11.331m KG |
| MMS | 12.005 g |
| BL | 7.812 TM |
| QMS | 2.215 |
| QES | .407 |
| QTS | .344 |
| LE | 63.087 uH |
| SPL | 88.068 |
| X MAX | 8mm one way |
| POWER (NOMINAL) | 35 Watts |













Michel Valbonesi –
Hello,
I am Michel from Geneva / Switzerland. I am 60 years old, and I have done many DIY speakers.
Congratulations to Mark Fenlon and his team !
This really full-range driver is a gem !
Well packaged and very well built speaker.
I use it in a vented box of about 14 liters.
Too many FR speakers are lacking basses, have too much front faced agressive mediums, and needs tweeters.
This is not the case with the 11 MS !
All what you need is there : articulate and consistent basses; present but not fatiguing mediums, and fine trebles.
As Mark says in its vid., the the 2D (and 3D) soundstage is very nice and precise.
The sound pressure is remarkable too, for the size of the 11 MS.
So, for domestic audiophile music listening, these are wonderfull.
Happy new year 2021, and best regards.
Michel Valbonesi
Leif Brandt –
My drivers are starting to be recorded now. Are overwhelmed by what they can accomplish.
I can associate that they sound a bit like mine hornspeakers in the 80’s (3-way). So detailed and seductive without sounding hard in any way.
I am very happy with these drivers. I really recommend these.
Mark you are the KING
I have found home …
Thanks.
Berly –
Excellent driver for music
Its been 2 years since i started listening to alpair 11ms.
Its the most free of compromise full range driver i have ever seen given that you follow a few set of rules.
Rules
Use it primarily for music .
Dont expect it to blast your roof off with hardrock type of genres and hollywood movies with high dynamic range.
Understand that its not made for sheer volume but instead for exceptional soundstage and accuracy of articulation at moderate volume.
The bass extension generated from these drivers in a bigger cabinet like pensil or FHXL is unbelievable. But to experience that bass you need to place it properly around 20cm from backwall 30cm from corners facing length wise in a rectangular room.
Accuracy of fast articulated bass like (my bass-brian bromberg) is exceptional.
Apart from accuracy the bass is deep and very clean in nature like something from a servo-subwoofer
Mids are smooth and neutral
Treble when kept without toe-in sounds a bit less. So I resorted for around 10to 15 degrees toe-in which gave a smooth warm treble (around 3 to 5db below midrange)
Sound stage is one of the best ive heard from any speaker. Speakers disappear into the background and vocals comes from dead centre.
If you are using it for movies use dynamic range compression in your system. A typical example where this will save your driver from cone over-excursion is when playing movies from christofer nolan in which dialogue is very low. Due to this people tend to keep volume high to hear the dialogue and then when an action scene hits the speaker cone will just hit over excursion damaging it permanently. So use it with care for movies.
Overall for the size and cost of the driver i dont think there is any full range driver which does what Alpair 11ms does.
Its the FR driver with the least compromises with alot of excellence in itself
Malcolm –
I purchased these drivers from Darcher in Tasmania Australia and unfortunately there was an issue with them and they had to go back. Daniel was very good and replaced them for me, pretty good as I purchased my Alairs 6 months earlier and didn’t get to them straight away. Some suppliers would not have bothered my problem but Darcher did. So Qudos to Daniel for his customer service.
The replacement drivers were checked and also run in before sending. So I loaded them into my test enclosures which were a pair of old B&W boxes with a new front baffle. Just over 20 litres in size with a small 3.5cm port at the back tuned to about 40Hz. Not perfect for these drivers but enough to see how they would sound.
First impressions were a bit unimpressive, they sounded a bit thin and shouty so I was disappointed to start. But I persevered with music playing in the background and by the next evening the sound signature started to change. The sound started to get body and sound more balanced, the ‘shoutyness’ I initially heard was starting to fade. So first point run in these speakers for a good while, I would say play on low volumes for the first few days, then increase the volume with more bass for a couple more days, then audition. I think the lack of a spider in this design makes the background run in more important than ever as all the materials ‘bed in’ towards a normal operating environment.
So onto how they sound. Well I have to say I have been very impressed so far albeit in the ‘limited’ enclosures they are installed in. First thing you will notice is the imaging, these drivers can image like crazy. Individual players are clearly played out in a 3 dimensional way with the speakers easily disappearing with suitable material. Dynamics are presented very well, being tightly controlled starting and stopping where they should without any hint of overhang . What’s more impressive is the ability to present complex music in a cohesive way allowing you to follow the music more easily. Detail is there in abundance and decay on notes and voices is easily heard. Bass in these was tight and easy to follow but limited in quantity. If these were my final build then the lack of bass would be a decider not to use in my large listening space but in the planned pencil enclosure (yet to be built) I don’t expect this to be an issue at normal listening volumes.
So onto the negatives. Yes there are some. Firstly whilst I wouldn’t describe the Alpairs as bright be aware that the hump in the 8kHz region can be hard. In a real world listening environment you will probably not have your speakers pointing directly at you but maybe towed in 10 degrees. The wide dispersion of these drivers makes this the best listening position (at least for me) providing the best tonal balance without any reduction in imaging or detail. Note that the rather large drop at 400Hz doesn’t appear to be a apparent at all. The human ear doesn’t seem to miss this, at least to my ears anyway.
Secondly the limited excursion of these drivers makes them not really suitable for loud listening with heavy bass lines. Having said that in suitable enclosures, like the pencils or horns, I doubt this will be a problem at normal listening volumes. But as a previous reviewer mentioned don’t use these for earthquake scenes at high volumes or you may end up replacing your drivers.
In terms of equipment matching these would be perfect for valve enthusiasts, I have Naim boxes here which also work very well. Amplifiers that have a bright sound signature may be a little too much due their ability to play everything out. Any hint of edginess or harshness early on in the chain will be noticed if using the Alpairs.
These points withstanding these are an exceptional driver. For a relatively small outlay you will have a speaker that can outperform conventional speakers many, many times the price of conventional speaker builds. They are that good!